|
Ajouter au panier
Le produit a été ajouté au panier Le stock est insuffisant. unités ont été rajoutées au panier Total:
|
|
Stock épuisé.
En cours de réapprovisionnement
|
|
Quantité minimum d'achat
La quantité minimum d'achat n'est pas atteinte
|
Disponibilité : 03 44 19 22 85 ou par mail : ts60@orange.fr
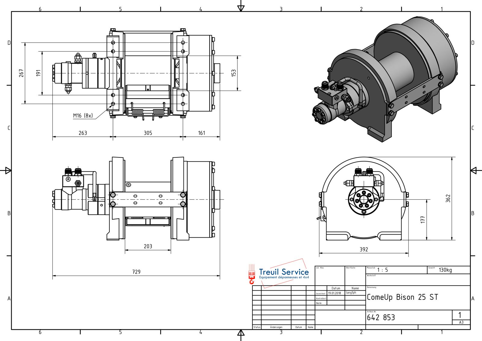
Treuil puissant, compact à réducteur planétaire 2 vitesses. Le mécanisme brevêté de freinage multidisques couplé à la valve de retenue de charge, ainsi que le moteur hydraulique puissant ne sont que quelques uns des avantages de ce treuil industriel à usage professionnel pour le dépannage-remorquage. Homologué EN 14492-1.
| Décrabotage | pneumatique |
|---|---|
| Traction max. [t] | 11,3 |
| Pression [bar] | 150 |
| Larg. [mm] | 729 |
| Profondeur [mm] | 392 |
| Hauteur [mm] | 362 |
| Débit [l/min] | 60 |
| Tambour [mm] | 203 |
| Vitesse d'enroulement [m/min] | 8,8 x 5,0 |
| Traction min. [t] | 7,22 |
| Perçage [mm] | 305 x 191/305 x 267 |
| Poids [kg] | 130 |
- Guide-câble
- Presse-câble
- Valve frein
ComeUp Bison - Mode d'emploi
ComeUp Bison 25 ST - Dimensions

ComeUp Bison 25 ST - Pièces détachées
|
Alerte
Veuillez saisir les champs obligatoires! |
Vous avez des questions ?
03 44 19 22 85